Model added to My Equipment.Click 'My Equipment' to view updated list.
ACCESSORIES I01300 ACCESSORIES AND SERVICE PARTS
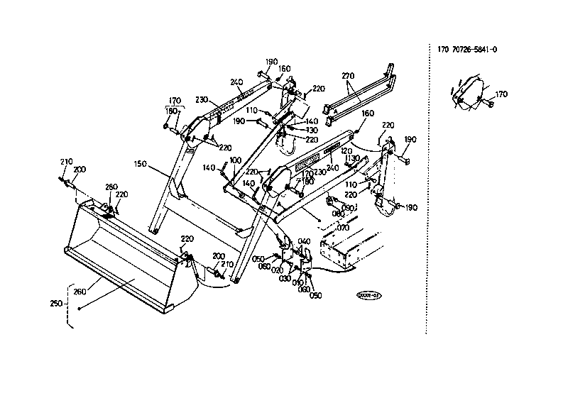
FRAME BOOM I00101 MAIN FRAME SIDE FRAME ## FOR HST MODEL SPACERS REF.No.100 ARE NOT NEEDED.
FRAME BOOM I00200 BOOM
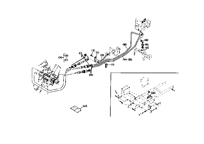
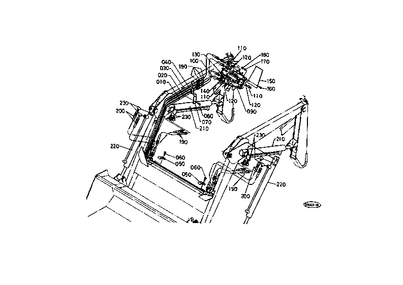
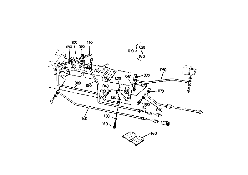
HYDRAULIC SYSTEM I00300 HYDRAULIC PIPE CONTROL VALVE
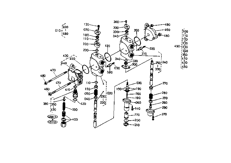
HYDRAULIC SYSTEM I00400 CONTROL VALVE [COMPONENT PARTS]
HYDRAULIC SYSTEM I00500 BOOM CYLINDER [COMPONENT PARTS]
HYDRAULIC SYSTEM I00600 BUCKET CYLINDER [COMPONENT PARTS]
HYDRAULIC SYSTEM I00702 HYDRAULIC PIPE
HYDRAULIC SYSTEM I00900 CONVERSION KIT FROM BF300-A TO BF300 (OPTION) ## APPLICABLE TRACTOR B8200D;T
HYDRAULIC SYSTEM I01000 CONVERSION KIT FOR B8200E (OPTION) ## APPLICABLE TRACTOR B8200E;TO S.No.1164
New to our website?Creating an account is easy and quick!
Our website uses cookie to give you the best online shopping experience. More information Accept