Model added to My Equipment.Click 'My Equipment' to view updated list.
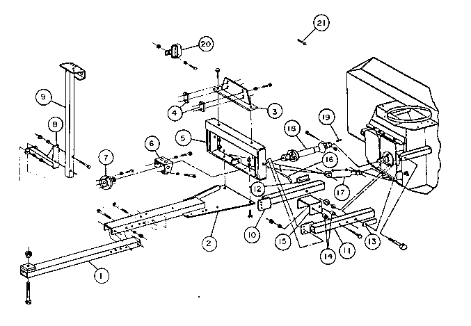
001000 FAN AND AUGER ASSEMBLY
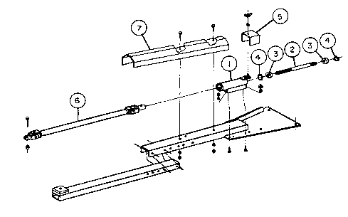
002000 WORM GEAR ASSEMBLY
003000 CHUTE ASSEMBLY
004000 THREE POINT HITCH ASSEMBLY
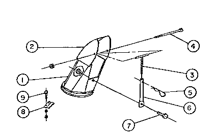
005000 MANUAL CHUTE ROTATION ASSEMBLY
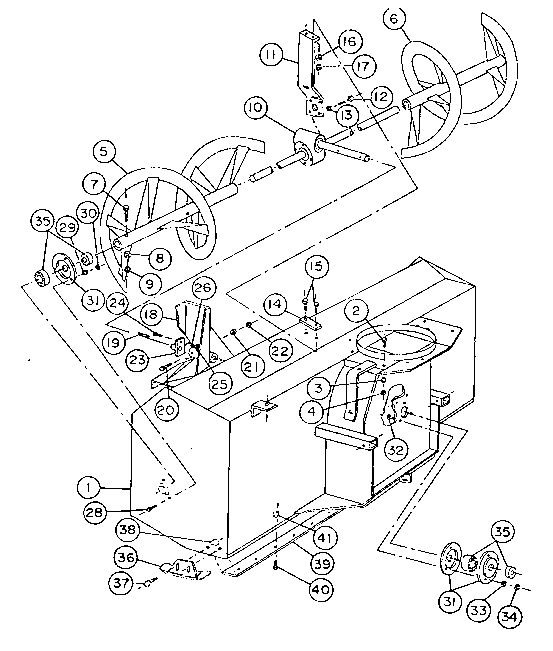
006000 FRONT MOUNT REDUCTION ASSEMBLY
007000 B2554 FRONT MOUNT ASSEMBLY
008000 B2556 FRONT MOUNT ASSEMBLY
009000 B100 (CANADA) AND B2555 (USA) FRONT MOUNT
010000 L2566 FRONT MOUNT ASSEMBLY
011000 B2567 ADAPTER KIT
012000 FRONT MOUNT LIFT ASSEMBLY
013000 HYDRAULIC CHUTE ROTATION-FRONT MOU
014000 SINGLE SPOOL VALVE ASSEMBLY
015000 TWO SPOOL VALVE ASSEMBLY
016000 P.T.O. DRIVE SHAFT-REAR MOUNT
017000 P.T.O. DRIVE SHAFT-FOR B2554
018000 P.T.O DRIVE SHAFT-FOR B2556
019000 P.T.O DRIVE SHAFT FOR-B2555
020000 P.T.O DRIVE SHAFT-FOR L2566
021000 LIFT CYLINDER
022000 CYLINDER-HYDRAULIC CHUTE ROTATION
023000 SAFETY DECALS 1
024000 SAFETY DECALS 2
025000 OPERATION DECALS
New to our website?Creating an account is easy and quick!
Our website uses cookie to give you the best online shopping experience. More information Accept