Model added to My Equipment.Click 'My Equipment' to view updated list.
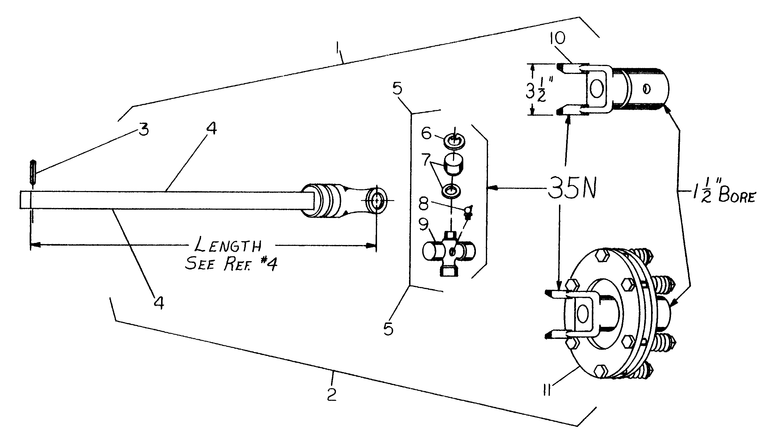
1-1/2 Square Shaft With Shear Pin Or Slip Clutch, 35N Yoke Assembly
1-1/2 Square With Shear Pin Or Slip Clutch 1-1/2 inch Bore, 35N Yoke Assembly
15 inch Wheel Assemblies & 6.00 x 9 Solid Tire (21 inch OD) Assembly
3-1/2 inch Bore x 8 inch Stroke Hydraulic Cylinder (Lantex Or Hydroline Cyl) Assembly
3-1/2 inch Bore x 8 inch Stroke Hyd Cyl ( inchMonarch inch Stamped Cyl) Assembly
3-1/2 inch Bore x 8 inch Stroke Hydraulic Cylinder (10-1/16 inch Long) Assembly
3-1/2 inch Bore x 8 inch Stroke Hydraulic Cylinder (10-1/2 inch Long) Assembly
3-1/2 inch Bore x 8 inch Stroke Hydraulic Cylinder (10-5/8 inch Long) Assembly
4.00 x 8 & 5.00 x 8 Solid Tire With Heavy Hub, 16 inch OD (With 1-1/4 inch Shft) Assembly
4.00 x 8 & 5.00 x 8 Solid Tire With Light Duty Hub (With 1 inch Shft) Assembly
Chain Shielding Assembly
Crossbar Puller Assembly Instructions (Crossbar With Hydraulic Jack)
Crossbar Puller Assembly Instructions (Crossbar With Wrench)
Front 2/3 Of 3-Joint Universal Drive 35N (540 RPM) Assembly
Height Adjustment Kit Assembly
Input Gear Box Assembly
Main Assembly
Shear Pin & 6S Slip Clutch With 1-1/2 Bore, 35N Yoke Assembly
Spindle Gear Box 1.35:1 Assembly
Spindle Gear Box 1:1 Assembly
Spring Wheel Yoke Arms Assembly
Stump Jumper Assembly
Swivel Parking Jack (Crank Handle Assembly)
Swivel Parking Jack (Hitch Pin Assembly)
New to our website?Creating an account is easy and quick!
Our website uses cookie to give you the best online shopping experience. More information Accept