Model added to My Equipment.Click 'My Equipment' to view updated list.
2-Way Angle Broom Assembly
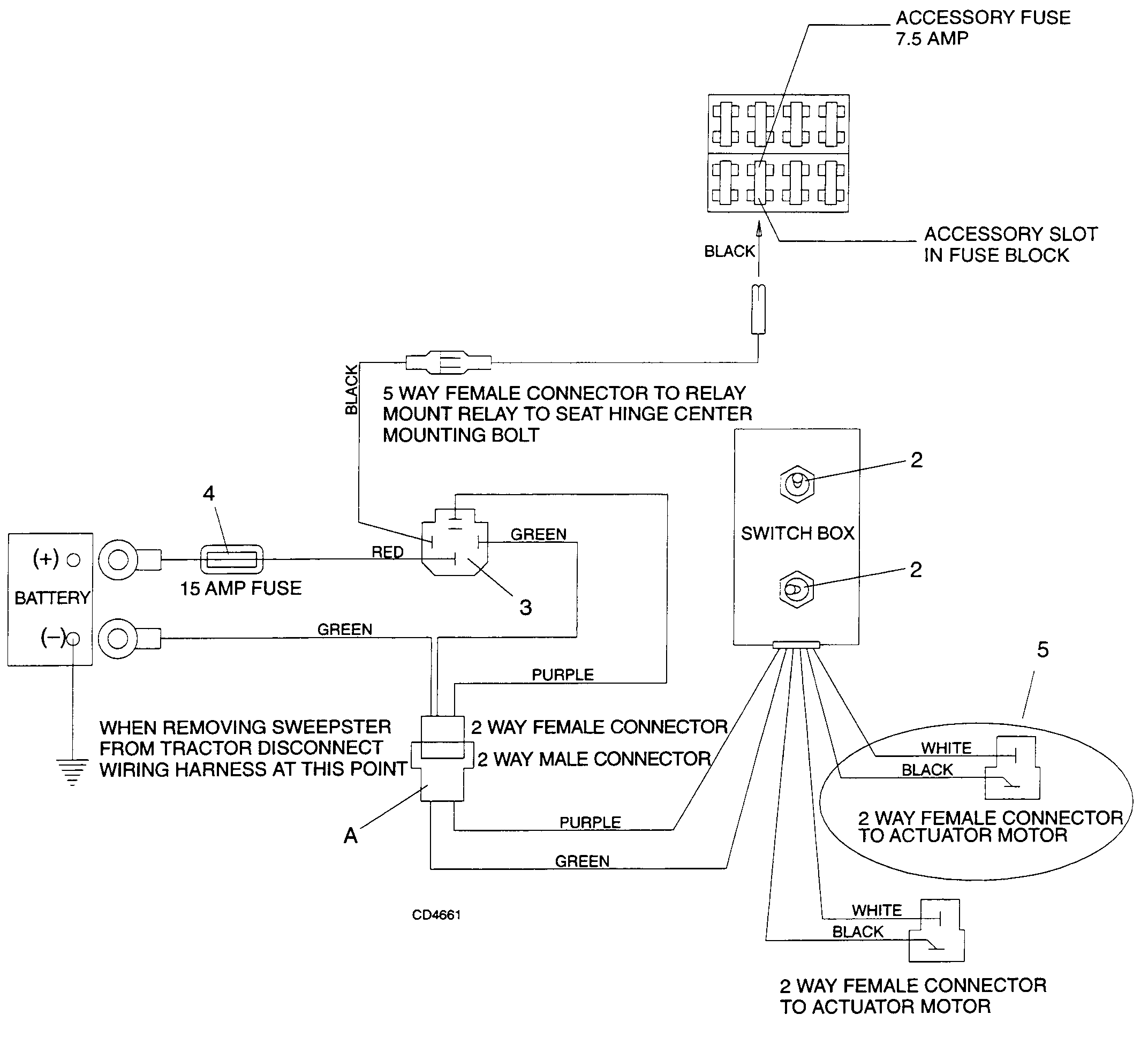
2-Way Angle Sweeper Wire Assembly
7.5 Cu. Ft. Twin Bucket Grasscatcher Assembly
Axle Housing (771 Series) Assembly
Clutch Replacement Assembly
Counterweight Mount Kit (Optional) Assembly
Debris Screen Assembly
Final Drive Assembly (771 Series)
Fixed Angle Sweeper Mount Kit (72789) Assembly
Hydraulic Reservoir & Hoses Assembly
Main Housing - (771 Series) (5180 & 5200 Series Tractors) Assembly
PTO Shaft & Clutch Assembly
ROPS & Canopy Assembly (Optional)
Seat Assembly
Steering Assembly
Steering Damper Kit (73505) Assembly
Tailwheel Options Assembly
Tire Chains (Optional) Assembly
Traction Kit Assembly
Tractor Assembly
Tractor Drive Assembly
Tractor Drive Linkage Assembly
Wiring Diagram (Part 1) Assembly
Wiring Diagram (Part 2) Assembly
New to our website?Creating an account is easy and quick!
Our website uses cookie to give you the best online shopping experience. More information Accept