Model added to My Equipment.Click 'My Equipment' to view updated list.
Axle Housing (771 Series) Assembly
Counterweight Mount Kit (Optional) Assembly
Debris Screen Assembly
Final Drive Assembly (771 Series)
Hydraulic Reservoir & Hoses For 6215 & 6250 Assembly
Main Housing - (771 Series) (5180 & 5200 Series Tractors) Assembly
PTO Shaft & Clutch Assembly For 6215 & 6250
ROPS & Canopy Assembly (Optional) For 6215 & 6250
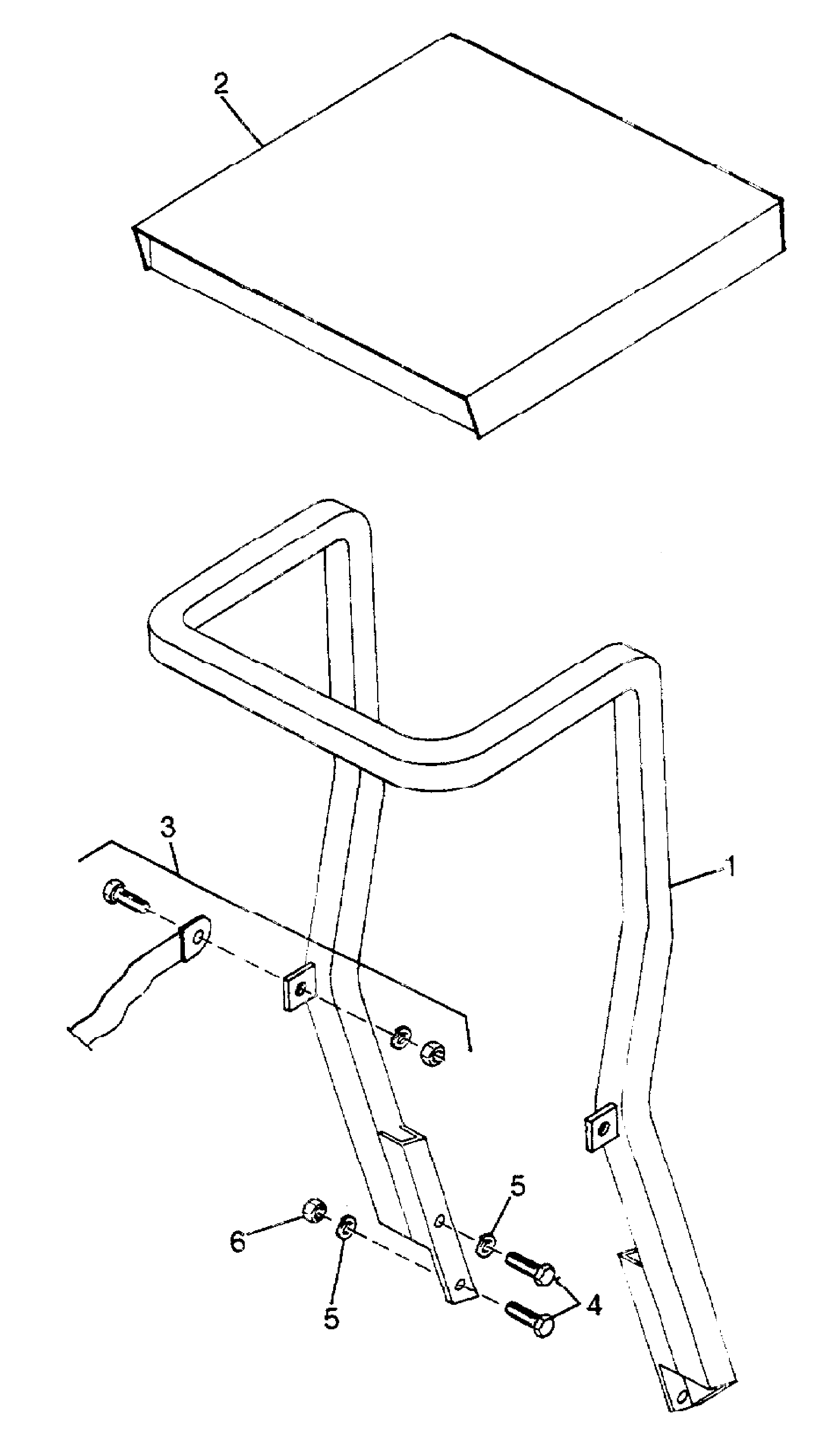
Seat Assembly For 6215 & 6250
Steering Assembly For 6215 & 6250
Tailwheel Options For 6215 & 6250 Assembly
Traction Kit For 6215 & 6250 Assembly
Tractor Assembly (Diesel Model) For 6215
Tractor Drive Assembly For 6215 & 6250
Tractor Drive Linkage Assembly
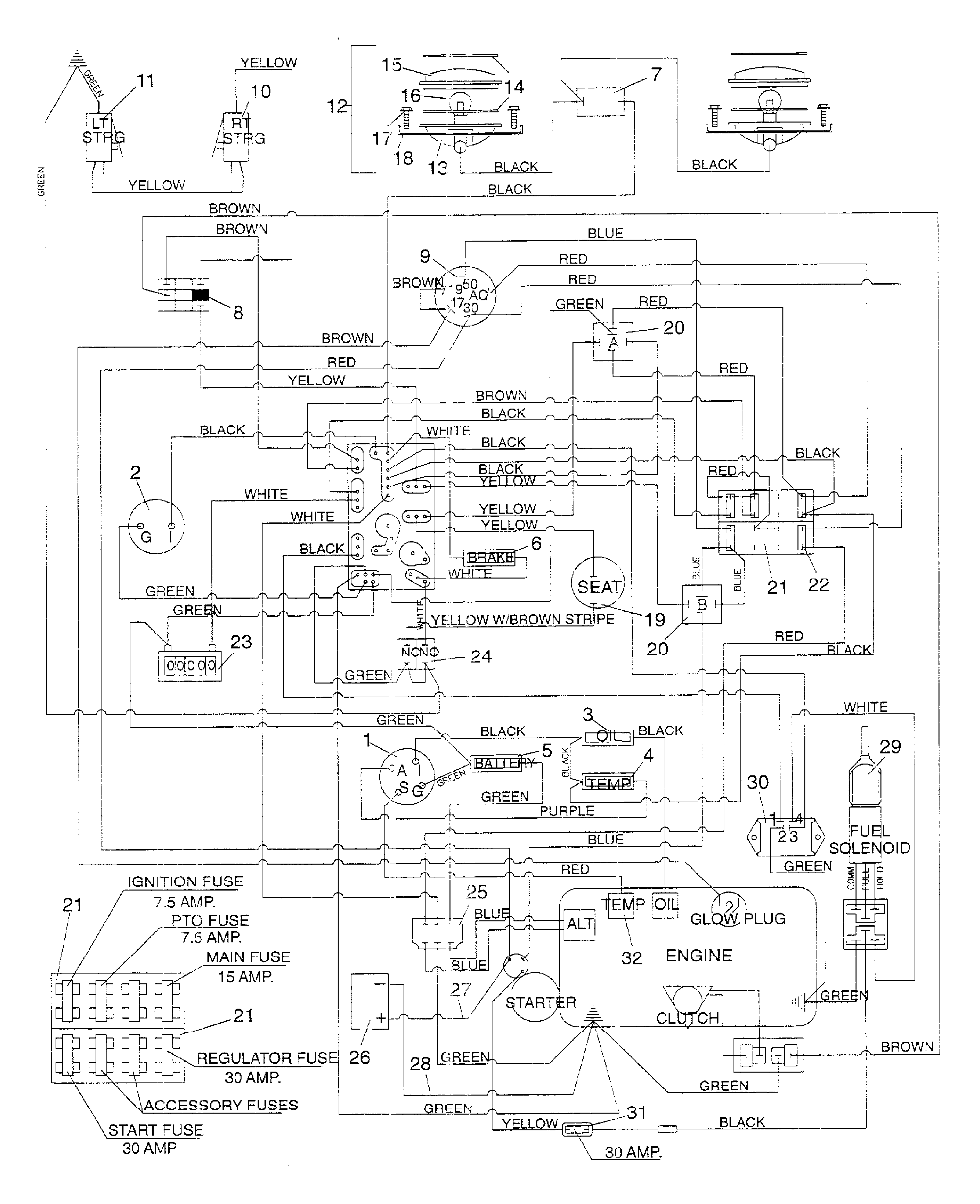
Wiring Diagram For 6215 (Part 1) Assembly
Wiring Diagram For 6215 (Part 2) Assembly
New to our website?Creating an account is easy and quick!
Our website uses cookie to give you the best online shopping experience. More information Accept