Model added to My Equipment.Click 'My Equipment' to view updated list.
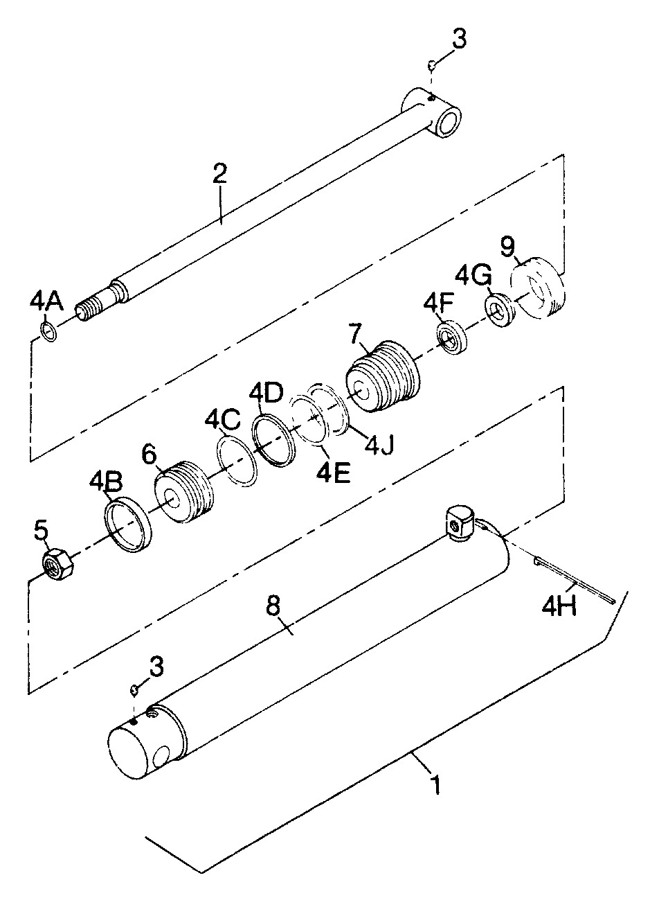
BH650 Dipperstick & Bucket Cylinder, BH750 Bucket Cylinder Assembly
BH750 Boom & Dipperstick Cylinder, BH650 Boom Cylinder Assembly
Boom Assembly
Dipperstick & Bucket Assembly
Hoses & Fittings Assembly
Main Frame Assembly
SAF-T-LOCK Hitch Assembly
Stabilizer Cylinder Assembly
Swing Cylinder Assembly
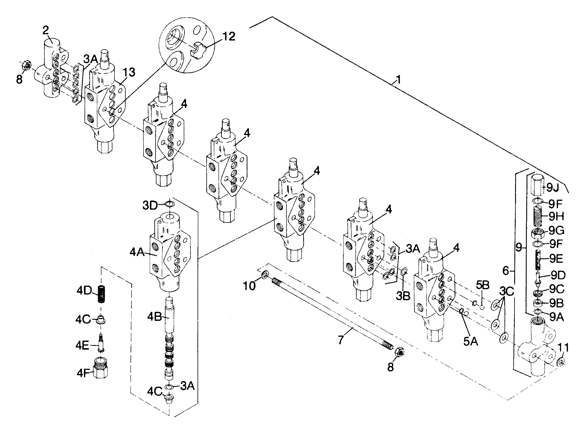
Valve Assembly
Valve Controls & Hardware Assembly
New to our website?Creating an account is easy and quick!
Our website uses cookie to give you the best online shopping experience. More information Accept