Model added to My Equipment.Click 'My Equipment' to view updated list.
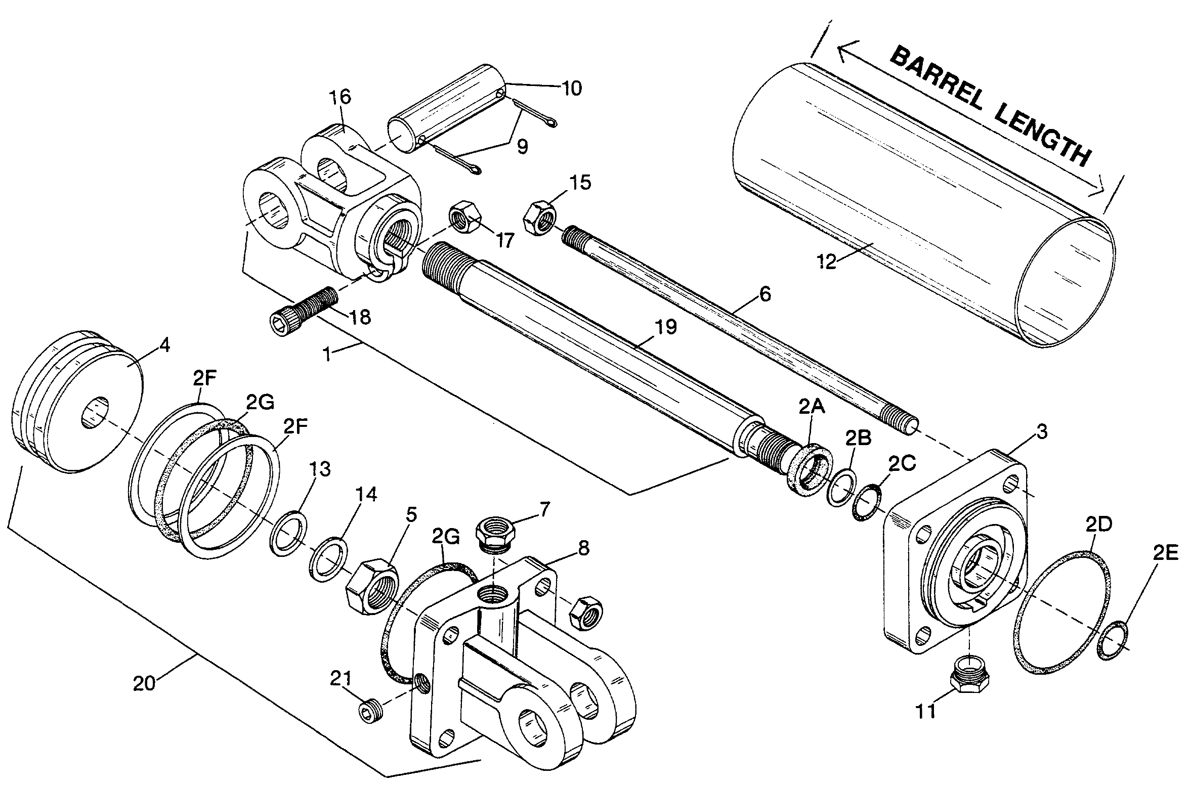
1-1/2 Bore x 12 inch Stroke DA Hydraulic Cylinder (Brunning Cylinder) Assembly
1-1/2 Sq. Shaft With Shear Pin Or Slip Clutch 1-1/2 inch Bore, 35N Yoke Assembly
1-1/2 Sq. Shaft With Shear Pin Or Slip Clutch 1-1/2 inch Bore, 86 Yoke (Opt) Assembly
15 inch Wheel Assemblies & 6.00 x 9 Solid Tire (21 inch OD) Assembly
15 inch Wheels With Standard-Duty Hub (2-5/16 inch OD At Hub Cap End) Assembly
2-1/2 Bore x 12 inch Stroke DA Hydraulic Cylinder (Lantex Cylinder) Assembly
3 Spool, 3 Way Valve Assembly
3-1/2 inch Bore x 8 inch Stroke Hydraulic Cylinder (Lantex Or Hydroline Cyl) Assembly
3-1/2 inch Bore x 8 inch Stroke Hydraulic Cylinder (10-1/16 inch Long) Assembly
3-1/2 inch Bore x 8 inch Stroke Hydraulic Cylinder (10-1/2 inch Long) Assembly
3-1/2 inch Bore x 8 inch Stroke Hydraulic Cylinder (10-5/8 inch Long) Assembly
3-1/2 inch Bore x 8 inch Stroke Hydraulic Cylinder (Monarch) Assembly
Cable Winch Assembly
Center Gear Box Assembly
Center Section Main Assembly
Center Spring Wheel Yoke Assembly
Crossbar Puller Assembly
Double Row Chain Shielding Assembly
Front 2/3 Of 3-Joint Drive - 86 Series Assembly
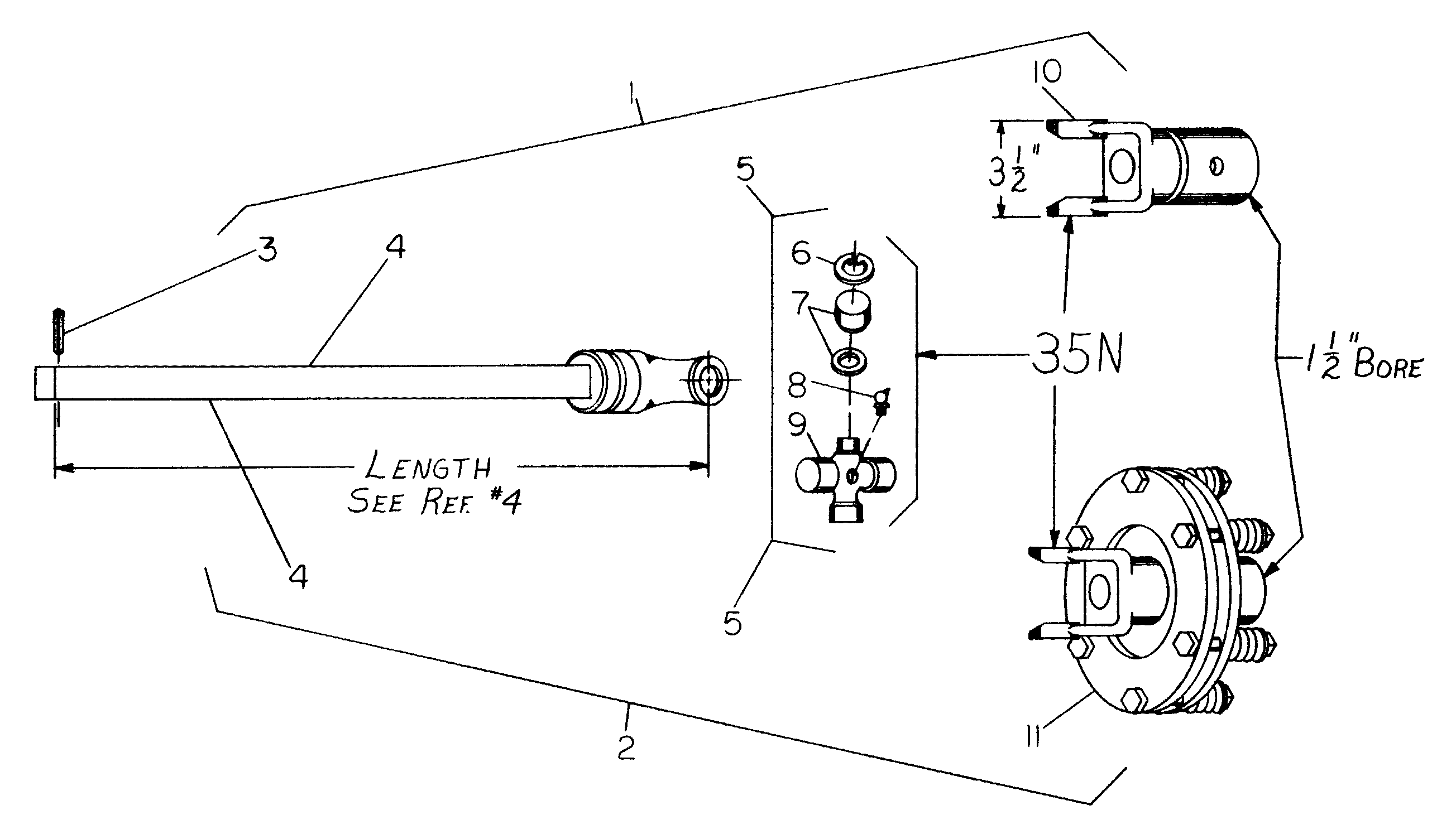
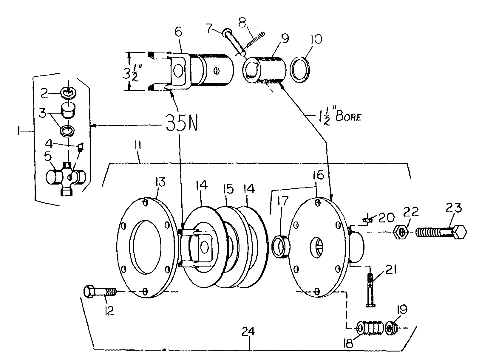
Front 2/3 Of 3-Joint Universal Drive 35N (540 RPM) Assembly
Gear Box Assembly
Gear Winch Assembly (New Style)
Gear Winch Assembly (Old Style)
Hydraulic System Assembly
Manual Height Adjustment Crank Kit Assembly
Optional Heavy-Duty Wing Drive Assembly
Rear Chain Shielding Assembly
Shear Pin & 12S Slip Clutch With 1-1/2 Bore, 86 York Assembly
Shear Pin & 6S Clutch L14N Assembly
Shear Pin & 6S Slip Clutch With 1-1/2 Bore, 35N Yoke Assembly
Single Row Chain Shielding Assembly
Swivel Parking Jack (Crank Handle Assembly)
Swivel Parking Jack (Hitch Pin Assembly)
Wing Drive Assembly Standard Duty
Wing Lift Stop Assembly
Wing Main Assembly
New to our website?Creating an account is easy and quick!
Our website uses cookie to give you the best online shopping experience. More information Accept