Model added to My Equipment.Click 'My Equipment' to view updated list.
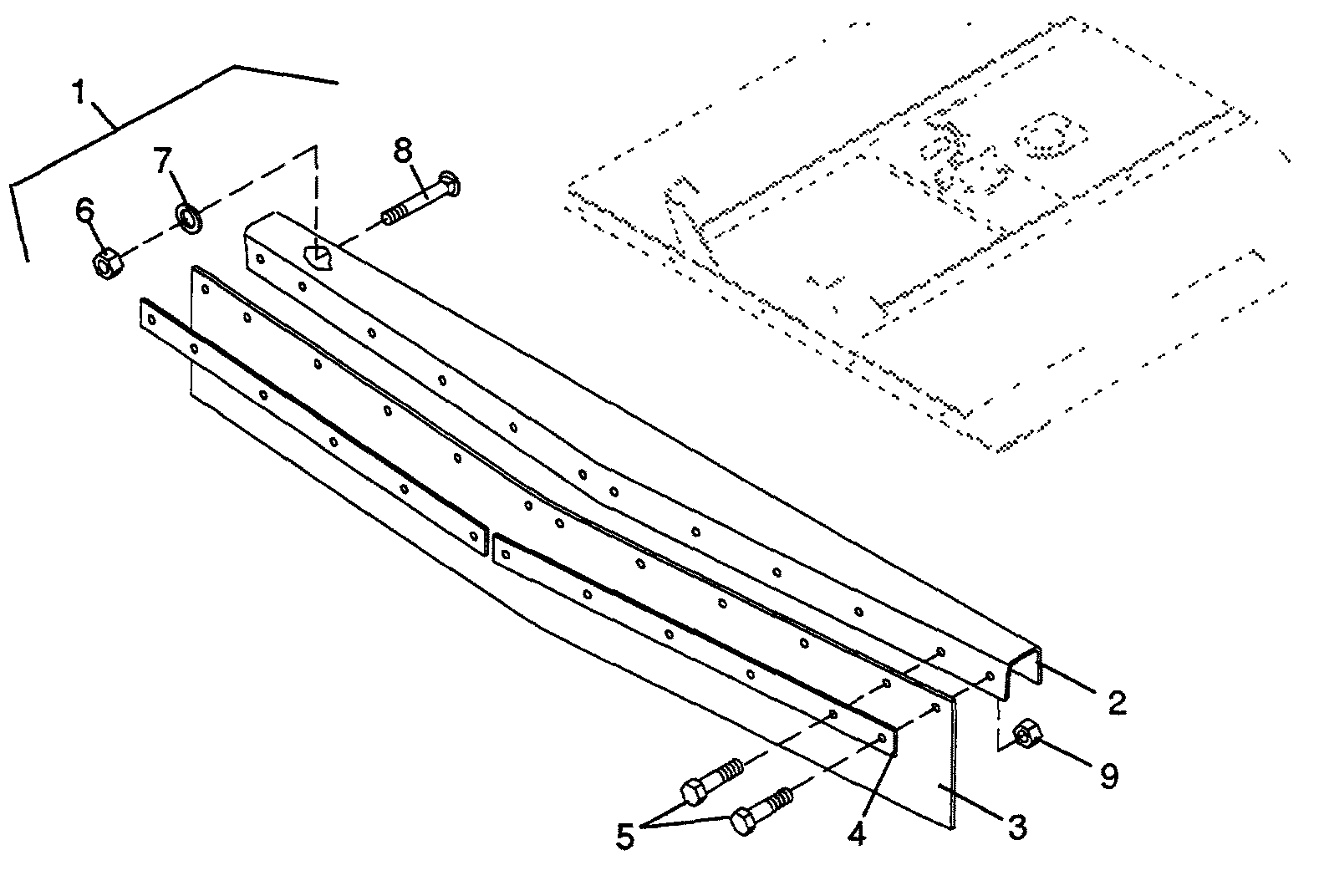
Chain Shielding Assembly
Check Chain Assembly (Optional)
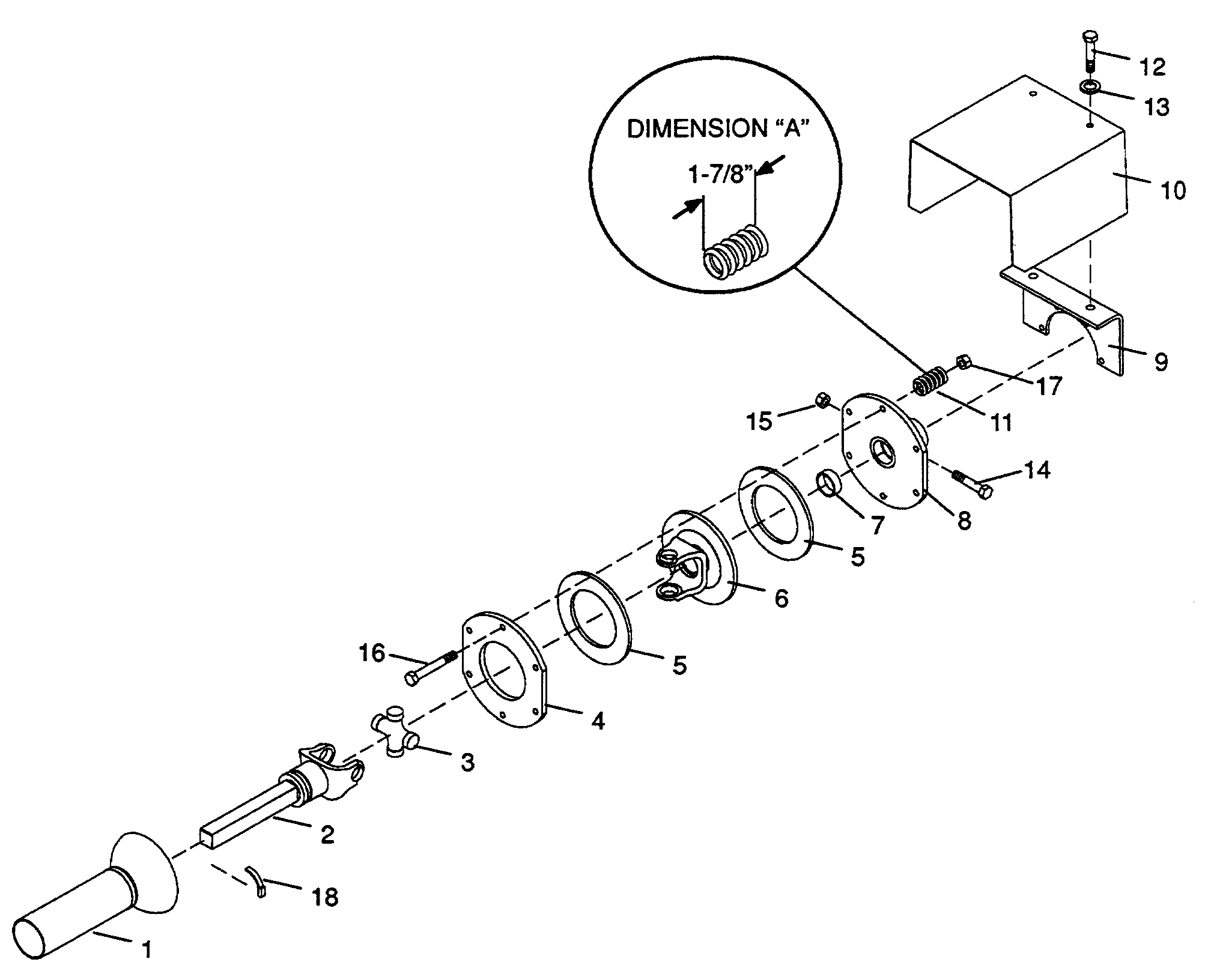
Front Drive Assembly
Gearbox Assembly
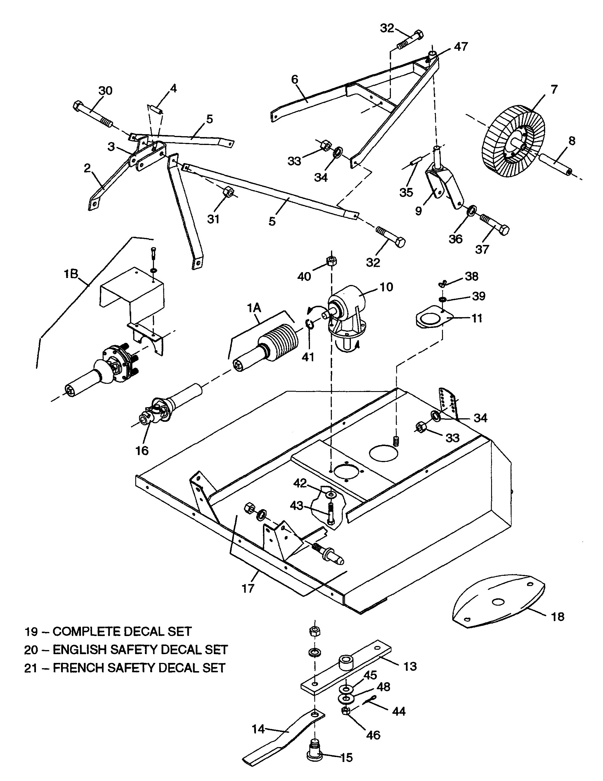
Main Assembly
Rear Drive With Slip Clutch Assembly
Rear Shear Bolt Drive Assembly
Rubber Shielding Assembly
New to our website?Creating an account is easy and quick!
Our website uses cookie to give you the best online shopping experience. More information Accept