Model added to My Equipment.Click 'My Equipment' to view updated list.
14 inch Wheel (4269) (Cast Hub) Assembly
15 inch Wheel Assembly (2315)
80 inch Leaf Mulcher (1092) Assembly
Gear Box (6222) Assembly
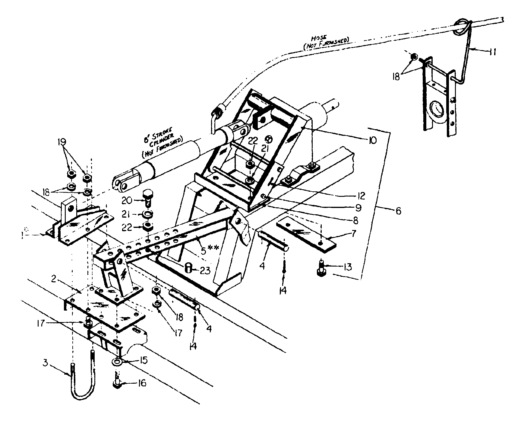
Height Adjustment Kit For Hydraulic Cylinder (6308) Assembly
Idler Pulley Assembly (1745)
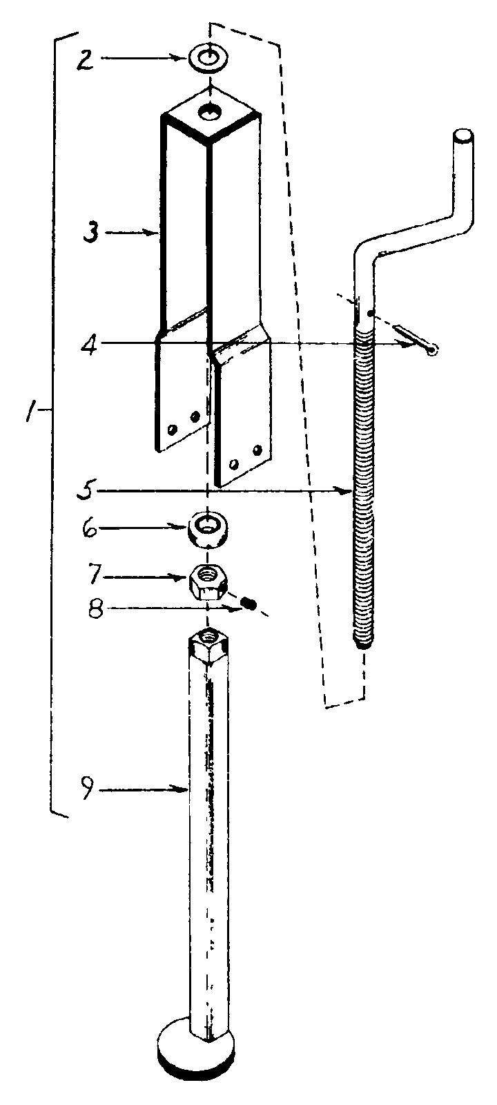
Jack Assembly (1970)
Manual Height Adjustment (1891) Assembly
Notat Tire With Wheel (4675) Assembly
Spindle Assembly (3910)
Two-Joint Integral Shielded Universal Drive (3029) Assembly
Universal Drive (6012) Assembly
New to our website?Creating an account is easy and quick!
Our website uses cookie to give you the best online shopping experience. More information Accept