KUBOTA KH 90(H) PARTS TRACK FRAME K02700 TRACK FRAME

    KUBOTA >kubota-kh-90-h-parts-track-frame-k02700-track-frame
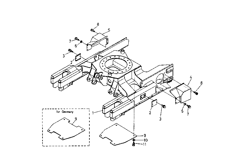
    Ref: 001  Part #: 68761-21116  Price: Call for price

    Item: FRAME TRACK

    QTY:  
    Ref: 001  Part #: 68768-21110  Price: Call for price

    Item: ASSY FRAME TRACK

    QTY:  
    Ref: 002  Part #: 68741-21142  Price: $24.66

    Item: COVER

    QTY:  
    Ref: 003  Part #: 01133-51220  Price: $1.37

    Item: BOLT M12x1.25x20 mm ***

    QTY:  
    Ref: 004  Part #: 68761-21152  Price: $216.31

    Item: COVER MOTOR LH ***

    QTY:  
    Ref: 005  Part #: 68761-21162  Price: $216.31

    Item: COVER MOTOR RH ***

    QTY:  
    Ref: 006  Part #: 04015-50120  Price: $0.99

    Item: WASHER, PLAIN ***

    QTY:  
    Ref: 007  Part #: 01133-51225  Price: $1.44

    Item: BOLT M12x1.25x25 mm ***

    QTY:  
    Ref: 008  Part #: 01370-11220  Price: $1.88

    Item: BOLT

    QTY:  
    Ref: 009  Part #: 68658-21170  Price: $92.17

    Item: COVER (TRUCK FRAME)

    QTY:  
    Ref: 009  Part #: 68768-21172  Price: Call for price

    Item: COVER

    QTY:  
    Ref: 010  Part #: 04015-50100  Price: $0.99

    Item: WASHER, PLAIN *** ***

    QTY:  
    Ref: 011  Part #: 01133-51025  Price: $1.55

    Item: BOLT M10x1.25x25 mm ***

    QTY:  

    Our website uses cookie to give you the best online shopping experience. More information