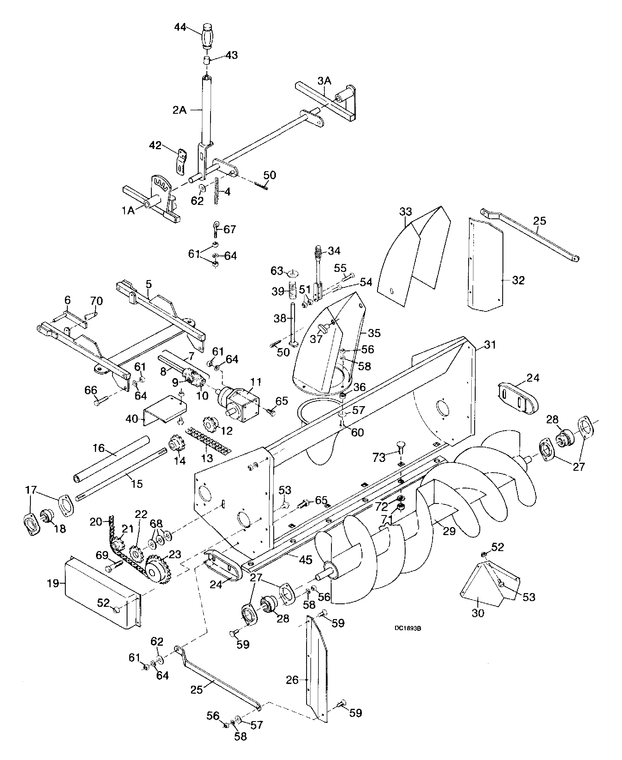
WOODS 2150 Snowthrower Assembly

    WOODS >woods-2150-mow-n-machine-parts-snowthrower-assembly
    Ref:   Part #: 70450  Price: Call for price

    Item: Snowthrower assembly complete

    QTY:  
    Ref: 1A  Part #: 12020272  Price: $86.40

    Item: LEVER MOUNT

    QTY:  
    Ref: 1B  Part #: 70481  Price: Call for price

    Item: Lever mount (SN S746 & below) (See note 1)

    QTY:  
    Ref: 2A  Part #: W70727  Price: $288.29

    Item: SNOWTHROWER LIFT

    QTY:  
    Ref: 2B  Part #: 70439  Price: Call for price

    Item: Lift - Hand lever (SN S746 & below) (See note 2)

    QTY:  
    Ref: 3A  Part #: 70438  Price: $176.46

    Item: MOUNT - LIFT LEFT /MR

    QTY:  
    Ref: 3B  Part #: 70482  Price: Call for price

    Item: Mount - Lift left (SN 5746 & below) (See note 3)

    QTY:  
    Ref: 4  Part #: W71170  Price: $10.54

    Item: CHAIN-LIFT SNOWTHWR

    QTY:  
    Ref: 5  Part #: 71169  Price: Call for price

    Item: Mount - Snowthrower

    QTY:  
    Ref: 6  Part #: 70055  Price: $30.48

    Item: PIN - ATTACHING

    QTY:  
    Ref: 7  Part #: 70078  Price: $262.65

    Item: SHAFT ASY - NEAPCO /MR

    QTY:  
    Ref: 8  Part #: 70082  Price: $110.78

    Item: YOKE-SHFT-.75X.88X7.4/MR

    QTY:  
    Ref: 9  Part #: 65689  Price: $40.96

    Item: 0675 U-JOINT REPAIR KIT

    QTY:  
    Ref: 10  Part #: W70058  Price: $54.00

    Item: YOKE - 6 .875 N /MR

    QTY:  
    Ref: 11  Part #: 70247  Price: $608.59

    Item: GEARBOX-T .875 SHFT /MR

    QTY:  
    Ref:   Part #: 62233  Price: $2.13

    Item: KEY WOODRUFF .187 X .75

    QTY:  
    Ref:   Part #: 64051  Price: $4.40

    Item: WOODRUFF KEY 5/32 X 5/8

    QTY:  
    Ref: 12  Part #: W70468  Price: $79.54

    Item: SPRKT-CPLG 50-12X.88 /MR

    QTY:  
    Ref: 13  Part #: 70469  Price: $48.18

    Item: CHAIN-COUPLER 50 /MR

    QTY:  
    Ref: 14  Part #: 70467  Price: $61.11

    Item: SPRKT-CPLG 50-12X.75 /MR

    QTY:  
    Ref: 15  Part #: 70203RP  Price: $113.65

    Item: SHAFT-POWER /MR

    QTY:  
    Ref: 16  Part #: 70470  Price: $32.23

    Item: Shield - Shaft

    QTY:  
    Ref: 17  Part #: W70461  Price: $7.03

    Item: FLNGTTE-2 BOLT F47 /MR

    QTY:  
    Ref: 18  Part #: 70460  Price: $40.12

    Item: BRG-BALL .75 W/LC

    QTY:  
    Ref: 19  Part #: 70462  Price: $38.06

    Item: Shield - Chain

    QTY:  
    Ref: 20  Part #: W72322  Price: $23.70

    Item: 40 CHAIN 60 LINKS W CONN LINK

    QTY:  
    Ref: 21  Part #: 70465  Price: $51.46

    Item: SPRCKT - 40 11 X .75/MR

    QTY:  
    Ref: 22  Part #: 70464  Price: $87.58

    Item: IDLER-40 X 18 X .625 /MR

    QTY:  
    Ref: 23  Part #: 70463  Price: $199.58

    Item: SPRCKT - 40B 30 X 1 /MR

    QTY:  
    Ref: 24  Part #: 72102RP  Price: $113.18

    Item: SKID /MR

    QTY:  
    Ref: 25  Part #: 70476  Price: $16.20

    Item: Brace - Extension

    QTY:  
    Ref: 26  Part #: 70474RP  Price: $60.62

    Item: EXTENSION - SIDE RT /MR

    QTY:  
    Ref: 27  Part #: 70477  Price: $20.99

    Item: FLNGTE-2 BOLT F52

    QTY:  
    Ref: 28  Part #: 70176  Price: $49.57

    Item: BRG-BALL 1 W/LC /MR

    QTY:  
    Ref: 29  Part #: 70458RP  Price: $1,708.67

    Item: AUGER-SNOWTHWR 1 SHFT/MR

    QTY:  
    Ref: 30  Part #: 70459RP  Price: $70.69

    Item: DEFLECTOR - SNOW /MR

    QTY:  
    Ref: 31  Part #: 71168  Price: Call for price

    Item: Housing - Auger

    QTY:  
    Ref: 32  Part #: 70475RP  Price: $60.62

    Item: EXTENSION - SIDE LT /MR

    QTY:  
    Ref: 33  Part #: 12020145RP  Price: $201.28

    Item: SPOUT DEFLECTOR

    QTY:  
    Ref: 34  Part #: 70455  Price: $34.32

    Item: Handle - Spout

    QTY:  
    Ref: 35  Part #: 70452  Price: $396.27

    Item: SPOUT - UPPER /MR

    QTY:  
    Ref: 36  Part #: 70443  Price: Call for price

    Item: Spacer - Spout pivot

    QTY:  
    Ref: 37  Part #: W70454  Price: $16.15

    Item: SCREW THUMB 5/16 NC F/MR

    QTY:  
    Ref: 38  Part #: 70456  Price: $25.08

    Item: Rod - Spout lock

    QTY:  
    Ref: 39  Part #: 70388  Price: $13.35

    Item: SPR/CMP0.75 .08 2 /MR

    QTY:  
    Ref: 40  Part #: 70471RP  Price: $37.50

    Item: SHIELD-SHFT CPLNG /MR

    QTY:  
    Ref: 41  Part #: 70480  Price: Call for price

    Item: ST400 Decal set

    QTY:  
    Ref: 42  Part #: 70772  Price: $813.05

    Item: Lever guide

    QTY:  
    Ref: 43  Part #: W70766  Price: $210.02

    Item: PUSH ROD GRIP

    QTY:  
    Ref: 44  Part #: W07530700  Price: Call for price

    Item: HANDLE GRIP - 1.00 DIA

    QTY:  
    Ref: 45  Part #: 71172RP  Price: $48.69

    Item: BLADE-SNOWTHROWER /MR

    QTY:  
    Ref: 50  Part #: 3597  Price: $1.72

    Item: PIN, COTTER 1/8 X 1

    QTY:  
    Ref: 51  Part #: 5288  Price: $1.54

    Item: NUT, HEX 1/4 NC

    QTY:  
    Ref: 52  Part #: W70065  Price: $1.19

    Item: NUT WHIZ 1/4 NC

    QTY:  
    Ref: 53  Part #: W70067  Price: $0.99

    Item: SCREW MC 1/4-20X1/2 SL TRSS ZC

    QTY:  
    Ref: 54  Part #: 70842  Price: Call for price

    Item: .25-20 x 1.50 Hex head cap screw GR5 (See note 8)

    QTY:  
    Ref: 55  Part #: 22348  Price: $0.99

    Item: HHCS, 1/4NC X 2 GR5

    QTY:  
    Ref: 56  Part #: 4529  Price: $2.13

    Item: NUT, HEX 5/16 NC

    QTY:  
    Ref: 57  Part #: 4378  Price: $0.99

    Item: WASHER, FLAT SAE 5/16

    QTY:  
    Ref: 58  Part #: 2472  Price: $1.19

    Item: WASHER, LOCK 5/16

    QTY:  
    Ref: 59  Part #: 16148  Price: $1.15

    Item: BOLT, CARRIAGE, 5/16 NC X 3/4

    QTY:  
    Ref: 60  Part #: 14562  Price: $1.72

    Item: BOLT, HEX 5/16 NC X 1 GR5

    QTY:  
    Ref: 61  Part #: 835  Price: $1.72

    Item: NUT, HEX 3/8 NC ZP

    QTY:  
    Ref: 62  Part #: 565  Price: $1.72

    Item: WASHER, FLAT 3/8

    QTY:  
    Ref: 63  Part #: 2472  Price: $1.19

    Item: WASHER, LOCK 5/16

    QTY:  
    Ref: 64  Part #: 2522  Price: $0.99

    Item: WASHER, LOCK 3/4

    QTY:  
    Ref: 65  Part #: 839  Price: $1.54

    Item: BOLT, HEX 3/8 NC X 1 GR5 ZP

    QTY:  
    Ref: 66  Part #: 920  Price: $3.19

    Item: HHCS, 3/8 NC X 1-3/4 GR5 ZP

    QTY:  
    Ref: 67  Part #: 5762  Price: $31.06

    Item: BOLT EYE 3/8 NC X 3-1/4 OPEN

    QTY:  
    Ref: 68  Part #: 692  Price: $1.72

    Item: WASHER, FLAT, 5/8 STD ZP

    QTY:  
    Ref: 69  Part #: 7832  Price: Call for price

    Item: .625-11 x 1.50 Hex head cap screw GR5 (See note 23)

    QTY:  
    Ref: 70  Part #: 70056  Price: $3.23

    Item: .09X.625X2.75 SFTY PN

    QTY:  
    Ref: 71  Part #: 4529  Price: $2.13

    Item: NUT, HEX 5/16 NC

    QTY:  
    Ref: 72  Part #: 2472  Price: $1.19

    Item: WASHER, LOCK 5/16

    QTY:  
    Ref: 73  Part #: 16148  Price: $1.15

    Item: BOLT, CARRIAGE, 5/16 NC X 3/4

    QTY:  

    Our website uses cookie to give you the best online shopping experience. More information