WOODS 6182 Steering Damper Kit (73505) Assembly

    WOODS >woods-6182-mow-n-machine-parts-steering-damper-kit-(73505)-assembly
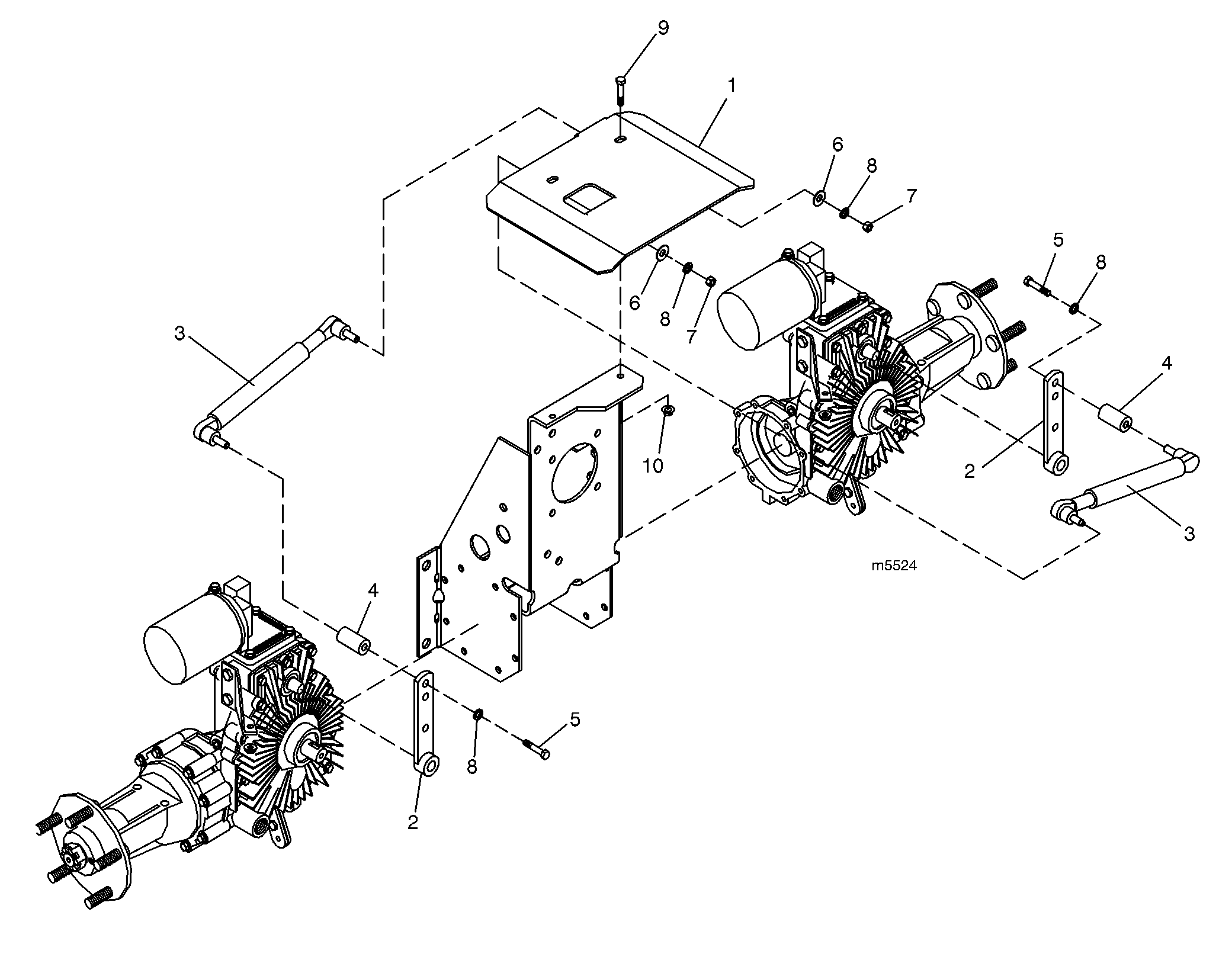
    Ref: 1  Part #: W73248  Price: $32.95

    Item: DAMPER MOUNT

    QTY:  
    Ref: 2  Part #: W73249  Price: $44.19

    Item: WA CONTROL ARM

    QTY:  
    Ref: 3  Part #: 75488  Price: $162.15

    Item: DAMPENER

    QTY:  
    Ref: 4  Part #: 73633  Price: $80.68

    Item: SPACER M8 X 1.25P X 1.44

    QTY:  
    Ref: 5  Part #: W307125  Price: $1.65

    Item: HHCS M8-1.25 X 20MM

    QTY:  
    Ref: 6  Part #: 21622  Price: Call for price

    Item: M8 Flat washer

    QTY:  
    Ref: 7  Part #: 30515  Price: $2.13

    Item: NUT HEX M8 X 1.25 MM PITCH

    QTY:  
    Ref: 8  Part #: 2472  Price: $1.19

    Item: WASHER, LOCK 5/16

    QTY:  
    Ref: 9  Part #: FA103  Price: Call for price

    Item: 5/16NC x 1 Hex head capscrew, GR5

    QTY:  
    Ref: 10  Part #: W73163  Price: $1.54

    Item: NUT WHIZ 5/16 NC FLNG YD

    QTY:  

    Our website uses cookie to give you the best online shopping experience. More information