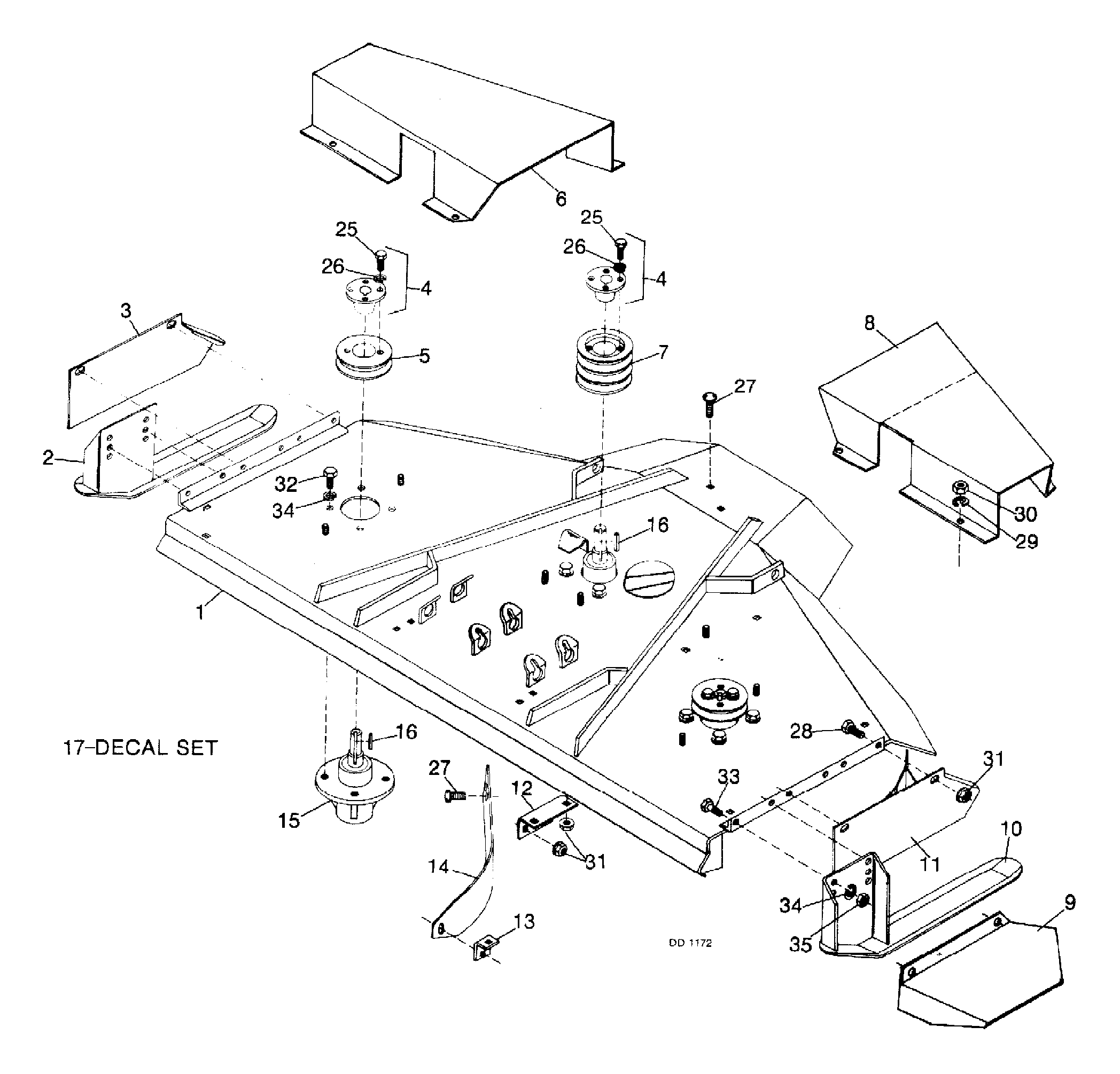
WOODS L306K24HC Frame Assembly

    WOODS >woods-l306k24hc-undermount-mid-mount-rotary-cutter-parts-frame-assembly
    Ref: 1  Part #: 9702  Price: Call for price

    Item: Frame with baffling (See note 1)

    QTY:  
    Ref: 2  Part #: 13428  Price: $92.37

    Item: U306ETC RT SIDE SKID W

    QTY:  
    Ref: 3  Part #: 24188  Price: $89.96

    Item: RM306 RT SIDE SHIELD

    QTY:  
    Ref: 4  Part #: 4227  Price: $51.26

    Item: BSHG H 3/4 STRT W/BOLTS

    QTY:  
    Ref: 5  Part #: 12622RP  Price: $49.57

    Item: 1 BK 5.0 H SHEAVE

    QTY:  
    Ref: 6  Part #: 25528  Price: $248.03

    Item: L306 ETC RT BELT SHIELD

    QTY:  
    Ref: 7  Part #: 13417RP  Price: $153.18

    Item: SHV 5.00 3B H

    QTY:  
    Ref: 8  Part #: 25529  Price: $108.89

    Item: L306 ETC LT BELT SHIELD

    QTY:  
    Ref: 9  Part #: 26522  Price: $244.45

    Item: L306ETC SIDE DISCG CHUTE

    QTY:  
    Ref: 10  Part #: 13429  Price: $92.37

    Item: U306ETC LT SIDE SKID W

    QTY:  
    Ref: 11  Part #: 24189  Price: $108.89

    Item: RM306 LT SIDE SHIELD

    QTY:  
    Ref: 12  Part #: 28532  Price: Call for price

    Item: Baffle rear mounting angle

    QTY:  
    Ref: 13  Part #: 25530  Price: $33.39

    Item: L306CNTR BFL FRT MTG LUG

    QTY:  
    Ref: 14  Part #: 25533  Price: $77.50

    Item: L306 ETC FRM CNTR BAFFLE

    QTY:  
    Ref: 15  Part #: 3761  Price: $208.50

    Item: ASY-SPINDLE L59

    QTY:  
    Ref: 16  Part #: 3885  Price: $3.74

    Item: 3/16 X 3/16 X 1-1/4 KEY

    QTY:  
    Ref: 17  Part #: 13421  Price: $61.45

    Item: DCL SET, CMPL, 59, L59, L306

    QTY:  
    Ref: 25  Part #: 10378  Price: $0.99

    Item: BOLT, HEX 1/4NC X 1 GR5

    QTY:  
    Ref: 26  Part #: 1985  Price: $1.64

    Item: WASHER, LOCK 1/4

    QTY:  
    Ref: 27  Part #: 24597  Price: Call for price

    Item: 3/8 NC x 3/4 Carriage bolt (See note 5)

    QTY:  
    Ref: 28  Part #: 839  Price: $1.54

    Item: BOLT, HEX 3/8 NC X 1 GR5 ZP

    QTY:  
    Ref: 29  Part #: 838  Price: $1.44

    Item: WASHER, LOCK, 3/8 ZP

    QTY:  
    Ref: 30  Part #: 835  Price: $1.72

    Item: NUT, HEX 3/8 NC ZP

    QTY:  
    Ref: 31  Part #: 14350  Price: $1.72

    Item: NUT, LOCK FLANGE 3/8 NC

    QTY:  
    Ref: 32  Part #: 4119  Price: $1.90

    Item: BOLT, HEX 1/2 NF X 1 GR5

    QTY:  
    Ref: 33  Part #: 6100  Price: $2.52

    Item: BOLT, HEX 1/2 NC X 1-1/4 GR5 ZP

    QTY:  
    Ref: 34  Part #: 855  Price: $1.44

    Item: WASHER, LOCK, 1/2 ZP

    QTY:  
    Ref: 35  Part #: 1093  Price: $1.54

    Item: NUT, HEX HEAVY 1/2 NC ZP

    QTY:  

    Our website uses cookie to give you the best online shopping experience. More information