Model added to My Equipment.Click 'My Equipment' to view updated list.
ILLUSTRATED PARTS LIST I00100 CYLINDER HEAD AND HEAD COVER
ILLUSTRATED PARTS LIST I00200 CRANKCASE
ILLUSTRATED PARTS LIST I00300 CRANK SHAFT CAMSHAFT AND PISTON
ILLUSTRATED PARTS LIST I00400 GEAR CASE
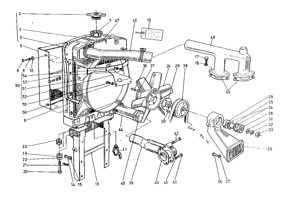
ILLUSTRATED PARTS LIST I00500 RADIATOR AND COOLING FAN
ILLUSTRATED PARTS LIST I00600 AIR CLEANER AND MUFFLER
ILLUSTRATED PARTS LIST I00700 FUEL INJECTION PUMP AND NOZZLE HOLDER
ILLUSTRATED PARTS LIST I00800 HOURMETER UNIT AND OIL FILTER (2)
ILLUSTRATED PARTS LIST I00900 STARTER AND REGULATOR
ILLUSTRATED PARTS LIST I01000 GENERATOR
ILLUSTRATED PARTS LIST I01100 WIRING DIAGRAM
ILLUSTRATED PARTS LIST I01200 FRONT WHEEL
ILLUSTRATED PARTS LIST I01300 CLUTCH PEDAL AND BRAKE PEDAL
ILLUSTRATED PARTS LIST I01400 CLUTCH HOUSING
ILLUSTRATED PARTS LIST I01500 STEERING
ILLUSTRATED PARTS LIST I01600 HOOD GROUP
ILLUSTRATED PARTS LIST I01700 HYDRAULIC CONTROL
ILLUSTRATED PARTS LIST I01800 HYDRAULIC PUMP
ILLUSTRATED PARTS LIST I01900 CONTROL VALVE
ILLUSTRATED PARTS LIST I02000 TRANSMISSION CASE AND OIL PRESSURE CYLINDER
ILLUSTRATED PARTS LIST I02100 TRANSMISSION
ILLUSTRATED PARTS LIST I02200 GEAR SHIFT
ILLUSTRATED PARTS LIST I02300 DIFFERENTIAL DEVICE
ILLUSTRATED PARTS LIST I02400 REAR FENDER
ILLUSTRATED PARTS LIST I02500 REAR WHEEL
ILLUSTRATED PARTS LIST I02600 INSTRUMENT PANEL AND TANK
ILLUSTRATED PARTS LIST I02700 3-POINT LINKAGE
ILLUSTRATED PARTS LIST I02800 TOOL
USEFUL PRODUCTS 000010 USEFUL PRODUCTS
New to our website?Creating an account is easy and quick!
Our website uses cookie to give you the best online shopping experience. More information Accept